Obudowy
Rodzaje obudów:
- jednorzędowe
- dwurzędowe
- czterorzędowe
Obudowa DIL16
Obudowa dwurzędowa plastikowa logiczna o 14 wyprowadzeniach:

Tabelka stanów bramki NAND typu 7424
| A | B | Y |
|---|---|---|
| 1 | 1 | 0 |
| 0 | Z | 1 |
| Z | 0 | 1 |

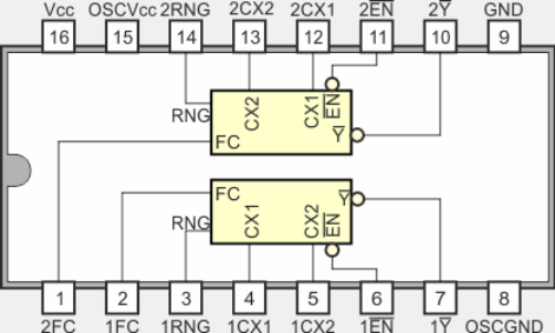
Obudowa DIL16

Mogą też występować obudowy z metalu przykładem takiej obudowy jest układ
