Przed sprawozdaniem (chyba)
pon, 9 gru 2024, 10:30:37 CET
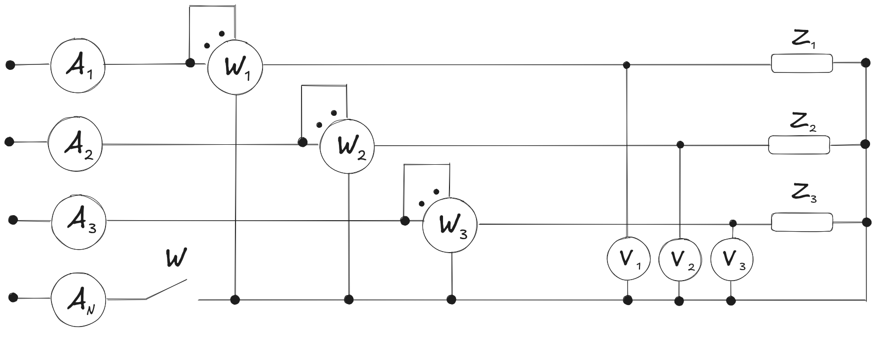
| Lp. | |||||||||||||||||
|---|---|---|---|---|---|---|---|---|---|---|---|---|---|---|---|---|---|
| - | V | V | V | A | A | A | A | W | W | W | W | VA | VA | VA | VA | - | - |
-
= = ; W = Z
-
= = ; W = 0
-
= , = 0 ; W = Z
-
= , = 0 ; W = 0
-
!= = 0 ; W = Z


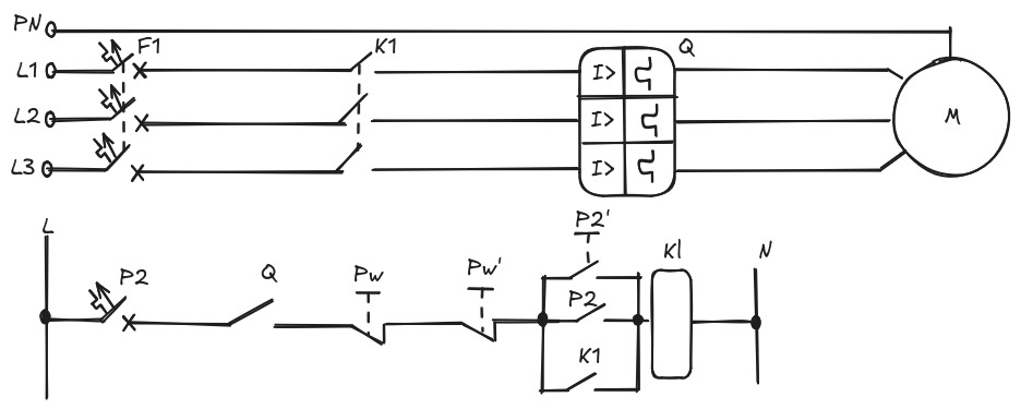
Zadanie styczniki
zrobić na podstawie: https://iautomatyka.pl/jak-czytac-schematy-elektryczne-i-akpia-3-styczniki/
Next lekcja
pon, 16 gru 2024, 11:35:52 CET


