Wzmacniacze Zadanie
Wzmacniacz sumujący

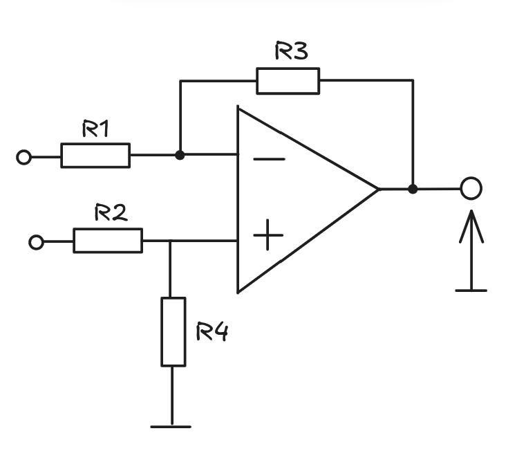
Wzmacniacz różnicowy

z I Prawa Kirchhoffa
z II Prawa Kirchhoffa
z Prawa Oma
Oct 07, 20251 min read

Uwy=R4∗IR1U1+R2U2+R3U3 R1=R2=R3=R4 Uwy=−(U1+U2+U3)

z I Prawa Kirchhoffa I2+I1=I3
z II Prawa Kirchhoffa U2−UR2=0 U1−UR1=0 −UR3+Uwy=0
z Prawa Oma
U2−I2∗R2=0=>I2=R2−U2 U1−I1∗R1=0=>I1=R1−U1 −I3∗R2+Uwy=0=>I3=R3−Uwy
R2−U2+(−R1U1)=−R3Uwy Uwy=−R3(R2U2+R1U1)