Energoelektroniczne elementy przyłączające
Ogólny podział:
- półsterowalne
- w pełni sterowalne
w elementach półsterowalnych mamy wpływ na kąt załączenia elementu elektronicznego natomiast nie mamy wpływu na wyłączenie, najczęściej następuje ono wtedy gdy prąd główny przyjmuje wartośc zero. Zaliczamy do nich diaki, triaki, tyrystory.
Elementy w pełni sterowalne to znaczy że mamy wpływ na kąt załączenia i wyłączenia elementu. należą do nich tranzystory.

charakterystyka prądowo napęciowa Diaka

Tyrystor

jest to element jednokierunkowy, aby go wyzwolić do Brakmi trzeba doprowadzić napięcie. Aby go wyłączyć prąd anodowy musi osiągnąć wartość bliską zera.

Tyrystor GTO można go wyłączyć stosując prąd do bramki w odwrotnym kierunku.
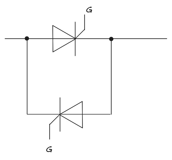
Triak

można go utworzyć poprzez przeciwrównoległe połączenie 2 tyrystoró

charakterystyka załączania

charakterystyka prądowo napięciowa

Parametry przykładowych elementów
Diak DB3 36V DO-35 2-pinowy:
- 3,85zł bez VAT 4,70 z VAT
- maksymalny prąd przerzutu - 0.05mA
- maksymalne napięcie przerzutu - 36V
- powtarzalny prąd szczeytowy w stanie załączenia - 2A
- powtarzalny szczytowy prąd w stanie wyłączenia - 0.01mA
- typ montażu - otwór przezierny
- typ opakowania - DO-35
- liczba styków - 2
- wymiary - 4.5 x 2 x 2mm
- długość - 4.5mm
- szerokość - 2mm
- wysokość - 2mm
- maksymalna temperatura robocza +125°C
- minimalna temperatura robocza -40°C
Tytystor BTW67-1000:
- napięcie wsteczne maksymalne 1kV
- prąd przewodzenia maksymalny 50A
- prąd przewodzenia 32A
- prąd bramki 80mA
- obudowa RD91
- masa brutto 20.01g